


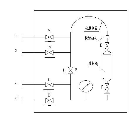
CYQ- A型:基本流程式
|
開口說明 |
||||
|
序號 |
名稱 |
數量 |
規格 |
法蘭標準 |
|
a |
放空口 |
1 |
DN15 |
SH/T 3406 |
|
b |
介質出口 |
1 |
DN15 |
SH/T 3406 |
|
c |
介質入口 |
1 |
DN15 |
SH/T 3406 |
|
d |
排液口 |
1 |
DN15 |
SH/T 3406 |
|
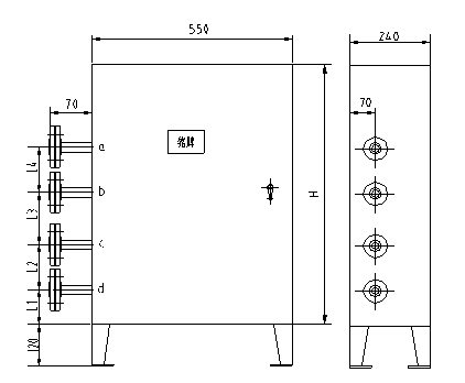
尺寸表 |
|||||
|
PN(MPa) |
H |
L1 |
L2 |
L3 |
L4 |
|
2.0 |
800 |
130 |
135 |
180 |
135 |
|
5.0 |
800 |
130 |
135 |
180 |
135 |
|
10.0 |
800 |
130 |
135 |
180 |
135 |
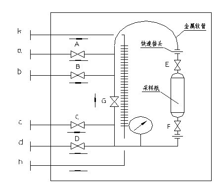
CYQ- B型:基本流程、內置伴熱器式
|
開口說明 |
||||
|
序號 |
名稱 |
數量 |
規格 |
法蘭標準 |
|
a |
放空口 |
1 |
DN15 |
SH/T 3406 |
|
b |
介質出口 |
1 |
DN15 |
SH/T 3406 |
|
c |
介質入口 |
1 |
DN15 |
SH/T 3406 |
|
d |
排液口 |
1 |
DN15 |
SH/T 3406 |
|
k |
蒸汽入口 |
1 |
PN2.0、DN20 |
SH/T 3406 |
|
h |
冷凝液出口 |
1 |
PN2.0、DN20 |
SH/T 3406 |
|
尺寸表 |
|||||||
|
PN(MPa) |
H |
L1 |
L2 |
L3 |
L4 |
L5 |
L6 |
|
2.0 |
1020 |
90 |
135 |
135 |
180 |
135 |
135 |
|
5.0 |
1020 |
90 |
135 |
135 |
180 |
135 |
135 |
|
10.0 |
1020 |
90 |
135 |
135 |
180 |
135 |
135 |